loading

にシェア:
sharethis sharing button

廃棄物を分別するためのリサイクルラインマシン

FOB 価格: 最新の価格を取得


最小注文数量: 1 セット/セット お客様の条件に合わせて最適なマシンを設計します


供給能力: 50 セット/月あたりのセット


パッケージ: 輸出梱包


港: 大連


支払条件: L/C、T/T


原産地: 遼寧省、中国 (本土)
数量:
  • HS

  • DENSEN

  • デンセン

  • HS

  • 要求に応じ

  • 要求に応じ

  • 1 か月あたりの 50 セット/セット

  • 中国遼寧省(本土)

製品説明
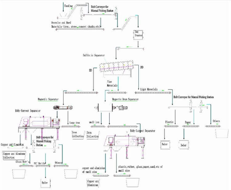
廃家電リサイクルプロジェクトは、銅、鉄、アルミニウムなどの貴重な金属を手に入れ、最終的な埋立地の量を減らすことができます 400000 PCS までの機能  主に廃テレビ、エアコン、  冷蔵庫、洗濯機、パソコン。 廃家電リサイクル事業  破砕システム、選別システム、洗浄・乾燥システムを搭載。このシステムは、クライアントのニーズに合わせてカスタマイズできます  世界のさまざまな国から  1 時間あたり数トンを処理します。
5# 6# 7# 8# 9# 10#
応用: プラスチック・家庭ごみ・くず 電化製品、廃車、廃金属  そしてビルのゴミ。
梱包と発送
1.梱包:輸出梱包
2.配送時間:入金後30日

通用1#
当社のサービス
充実したプロのエンジニアと高い技術力で、 当社 この分野にいた  10年間。  
1.私たちは優れたサプライヤー(Nord⪼hneider)と協力して品質を確保しています。
2.テスト  梱包前に、必要な機器の品質を自由にチェックします。
3.海外での機械の試運転については、エンジニアが常にサービスを提供しています。  それだけ  アフターサービスサポートだけでなく、技術サポートも。
4.「改善し続ける、追求する」  Excellence' は永久に保持されます。

通用2#
ワークショップ
通用3#
フォームを購入する理由          
通用4#
よくある質問
1.何  あなたの機械のMOQは何ですか?  
A:私達のMOQは1です  設定  
2.  機械の保証期間はどのくらいですか?  
A:製品保証期間は12ヶ月です  

前: 
次: